
山东安吉富传动设备股份有限公司
主营硬齿面减速机系列,价格低,型号齐全

山东安吉富传动设备有限公司
业务咨询:13386433069
联系电话:0533-4110000
传真号码:0533-4132808
电子信箱:ajf@ajf.cn
邮 编:255200
公司地址:淄博市博山区北山路76号
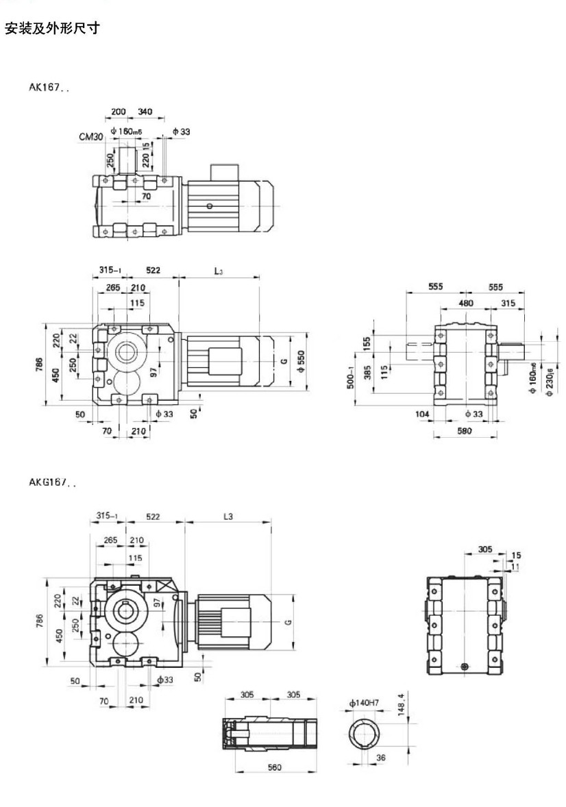
AK系列齿轮减速电动机是参照JB/T6447-92标准设计、制造,井符合1EC标准的新产品。它由拖动电动机与齿轮减速裝置藕合而成,具有结构紧凑、体积小、重量轻、噪声低、振动小、效率高等特点,是理想的低速动力源。广泛应用于冶金、矿山、轻工、化工、钢铁、水泥、纺织、印染、制糖、食品。橡胶、医药。包装、建筑、起重运输、农机等行业,并可供引进设备的配套与维修。
根据用户需要,尚可配套多速、效率高、直流等各类电动机,并可根据用户要求。装置直流电磁制动器或单向停止器以及各种编码器等。
防护等级因所配电动机而异,可为|p44或|P54等,冷却方法为1C0141。
本系列减速电动机齿轮的参数经优化设计.采用高质量合金钢经锻造、制齿井赋予严格的热处理;齿轮经瑞士REISHAUER公司的蜗杆砂轮磨齿机磨削加工,精度达GB/T10095.1 ~2-2001的5级。机座用高强度铸铁制成,有底脚、法兰两种结构。
减速装置的效率不低于92%。
底脚安装齿轮减速机有两个机加工的底脚安装,法兰安装有F和GZ两种法兰可供选择,GZ法兰只有空心轴方式,本系列减速机有多种安装方式和方位。
使用条件
环境温度:在-15C°-+40C。条件下额定运行;
海拔:不超过1000m;
颛定电压: 380V;
额定频率: 50Hz:
接法: 3kW及以下为Y.4KW及以上为△接法:
工作方式:连续(S1 )。
选型指南
AK使用系数fB
在确定使用系数之前先确定一天的运行小时数,每小时的起停次数和负载类型。其中负载类型按下列公式计算